R12-5 [0...350°C]
41,82 zł
Kod produktu:
1195
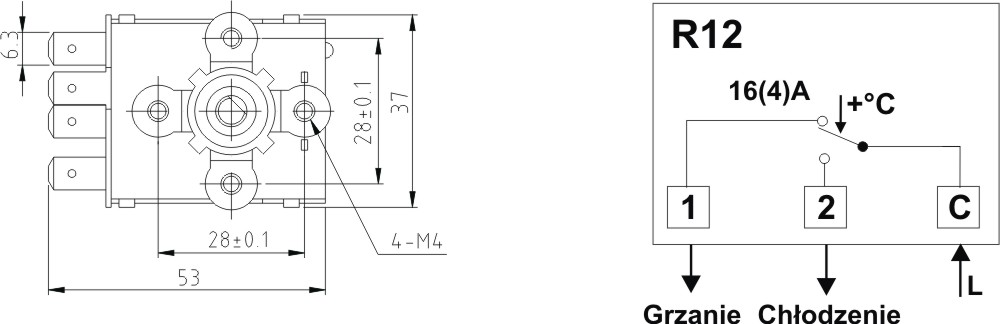
Termostat uniwersalny jednofazowy, grzanie/chłodzenie 16A
Wysyłka -
Zamów w ciągu:
000
godz. min. sek.
Darmowa wysyłka powyżej 159,00 zł
Posiadamy również inne warianty termostatów o różnych zakresach temperatur.
R12-0 | R12-1 |R12-2 | R12-3 |R12-4 | R12-5 |
Główne cechy produktu:
-
-
-
Uniwersalne zastosowanie: chłodzenie / grzanie
-
Przełączny układ styków SPDT (1, 2, C)
-
Pokrętło z podziałką i ramką w komplecie
-
Łatwa instalacja – standardowe złącza płaskie 6,3 x 0,8 mm
-
Trwała konstrukcja i niezawodna praca
-
-



